NELSON GLOBAL PRODUCT (NGP)
86630M-10
NELSON GLOBAL PRODUCT 86630M (Xref: FREIGHTLINER® NMC86630M; SCHOOL BUS PARTSTM XB4M1; STEMCO® 1909352)
Column Shafts
Description: Standard Line Mufflers - Type 1
Cross Reference: FREIGHTLINER NMC86630M; SCHOOL BUS PARTSTM XB4M1; STEMCO 1909352
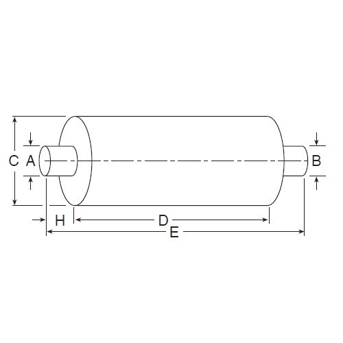
Size Inch (mm) : Max. Flow Rate: 1600@3" Hg; 1350@2" Hg; A: 4.0 (101.6); B: 4.0 (101.6); C: 9.0 (228.6); D: 44.5 (1130.3); E: 51.0 (1295.4); H: 3.0 (76.2)
Unit Weight (lb): 37
EAP A4015-177230 - Camshaft Position Sensor
SEI PRODUCTS Mercury 46 77177A1 1977 1997 96-264-10A
Mix me 3654
