Air Lift
25801
AIR LIFT 25801 Load Controller I Add-On Single Gauge
EAN: 0729199258015
UPC: 729199258015
SKU: AIL:25801
Boost Gauges
Accessory for Load Controller I single path, part number 25655
Include parts to add to Load Controller I to control two air springs independently with two gauges from one compressor
Option to control four air springs in pairs from one compressor
Includes gauge and fittings and lines
Includes complete instructions
AIR LIFT Load Controller I Add-On Single Gauge is designed to control air springs in pairs from a single compressor. It includes all parts that is required to control two air springs independently with two gauges from one compressor. This gauge consists of fitting as well as lines and facilitates easy installation.
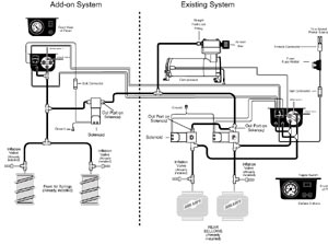
The Air Lift 25801 Load Controller I Add-on Single Gauge kit is an accessory to Air Lift's popular Load Controller I Onboard Air Compressor Control System (Air Lift pn: 25655), designed to extend its capabilities. Containing everything needed to add dashboard control and monitoring of front air springs--both at the same pressure--to the original system's independent rear leveling capabilities, this kit allows heavy vehicle owners already using the Load Controller I system to gain expanded heavy vehicle leveling functionality without adding an additional compressor unit.

View larger.
Extend the Power of Your Load Controller I System
The Air Lift Load Controller I Add-on Single Gauge is designed to provide control of front air springs utilizing the same single air compressor found in the original Load Controller I system. This affordable extension of the original product's rear air spring oriented functionality is made possible by tapping into the existing Load Controller I airline. With the addition of a second air gauge and solenoid, both included in the kit, existing/user-provided front air spring control and monitoring from the vehicle's dashboard can quickly and easily be added to an existing Load Controller I system. (Note: pressure variations of front-end vehicle suspension with this kit are simultaneously consistent on both driver and passenger sides) This kit includes all parts required, including gauge with mounting plate, paddle switch and deflation valve, solenoid, as well as necessary airline, connectors, wire valves and ties.
Features
- Accessory for the Air Lift Load Controller I single path system, part number 25655
- Raises and lowers left and right front-end suspensions together via user-supplied front air springs and using the Load Controller I system's compressor and an additional front-end oriented pressure gauge
- Maintains the original independent rear-end air spring based suspension control of the original Load Controller I product
- Option to control four air springs in pairs from one compressor
- Includes a single needle pressure gauge, solenoid, wiring, fittings and lines
- Includes complete instructions
Two Year Limited Warranty
Air Lift Company warrants its 25801 Load Controller I Add-on Single Gauge to the original retail purchaser against manufacturing defects for two (2) years when used on catalog-listed applications on cars, vans, light trucks and motor homes under normal operating conditions for as long as Air Lift manufactures the product. The warranty does not apply to products that have been improperly applied, improperly installed, used in racing or off-road applications, used for commercial purposes, or which have not been maintained in accordance with installation instructions furnished with all products.VIAIR 95900 Compressor Mounting Brackets
NRGSRK130HRG+200CF+101RD+016RBL, NRG Innovations 13.78 350mm 3 Deep Dish Style Black Leather Blue Center Marking Blue Spokes Racing Steering Wheel Combo with 6 Hole Short Hub Adapter with Gen 2.0 Carbon Quick Release with Red Lock Hub Kit SRK-130H
EMD Ironhead Style Rocker Cover RCXL-I-R
Mix me 3780