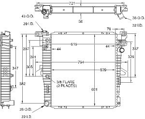
Radiators Visteon 9381

Visteon

9381

Radiator-1999-96 Ford

Radiators


Built to Original Equipment Specifications for Form, Fit & Function
Formally a Part of Ford Motor Company


XS61 Autolite Iridium Enhanced Spark Plug
05 08 Magnum Tailgate Shocks Liftgate arana-00052
Mix me 4232