Brembo
25215
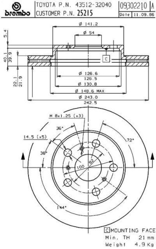
Brembo 25215 Front Disc Brake Rotor
EAN: 0685818252157
UPC: 685818252157
Rotors
To ensure maximum safety over time, Brembo uses highly advanced calculation and simulation systems in designing its brake rotors, to obtain peak performance
Precise tolerances offer maximum performance, increased comfort, and extended longevity of the brake-system components
The braking surface is machined to exact OEM specifications to ensure synergy between the friction material and rotor during the run-in period
An electronic balancing system is used during the production process to eliminate an unbalanced weight distribution, thus eliminating the risk of vibrations
The innovative Brembo-patented pillar venting technology increases overall rotor cooling and provides 40% more resistance to thermal cracking
Since the 1960s, Brembo has concentrated all its effort and expertise into becoming one of the leading global suppliers of braking systems. Brembo's quality high-carbon rotors are used for numerous vehicle applications. Highlighting Brembo's commitment to technology and quality, these high-carbon brake rotors have the ability to better dampen vibration and noise, thus improving comfort and, ultimately, performance.
1996 Kawasaki EX 500 D Ninja Tachometer
Aftermarket AS10017R Wheel Seal Frt
Mix me 1264
